EN
CN JP
Telecentric Lens Bi-Telecentric Lens/Illumination Macro/CCTV Lens Line Scan/Large Format Lens

Telecentric Lens

MML1.5-HR65

▪ High resolution throughout the entire field of view
▪ High NA, high contrast, and very low distortion
▪ All models are available with uniform coaxial illumination functionality as an option
▪ Most models are compatible with 2/3" or smaller CCD elements and support mega pixel CCDs, 1.3 mega pixels or greater

MML1.5-HR65
Main Applications
Alignment
Component recognition and inspection


Model Description


Specifications
  • Spec
  • MML1.5-HR65D
  • Coaxial Illumination
  • -
  • Magnification
  • 1.5±5%
  • WD (mm)
  • 65.1
  • Resolution (μm)
  • 5.4
  • Depth of Field (mm)
  • 0.42
  • NA
  • 0.063
  • Effective Fno
  • 12
  • Distortion (%)
  • -0.11
  • Weight (g)
  • 46
  • Largest Compatible Sensor
  • 2/3"
  • Mount
  • C Mount
* Resolution values indicate the theoretical resolution at a wavelength of 550nm.
* Depth of field is calculated assuming a horizontal 240TV resolution using a 1/2 CCD camera. (Permissible circle of confusion on the image-formation side: 40μm).


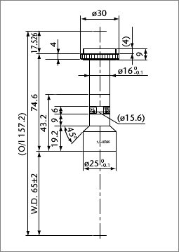
External View
Contact Information

MORITEX North America, Inc.

Add:20380 Town Center Lane, Suite 215 Cupertino, CA 95014 USA.

E-mail:sales.china@cognex.com

Tel:+1-408-363-2100

Product
Lens LED Illumination Fiber & Light guide Cosmetics
Application
Semiconductor mini/Micro LED Li-Battery FPD LiDAR
News & Events
Upcoming events News New Products Notice Discontinuation Notice
Resource
Download Center ISO Certificate
About us
Introduction President Speech Business Description History Global team Company policies Technology & Business Compliance
Contact us
Global team Local service
Career
Value Career

Site Policy | Privacy-Policy | Help | @ 2023 MORITEX Corporation