EN
CN JP
Telecentric Lens Bi-Telecentric Lens/Illumination Macro/CCTV Lens Line Scan/Large Format Lens

Telecentric Lens

MML2-HR110DVI-43M58-B

▪ ラージイメージフォーマット(対角28、35、43mm)対応
▪ 高分解能デザイン、3.5um/pixelのカメラ素子対応
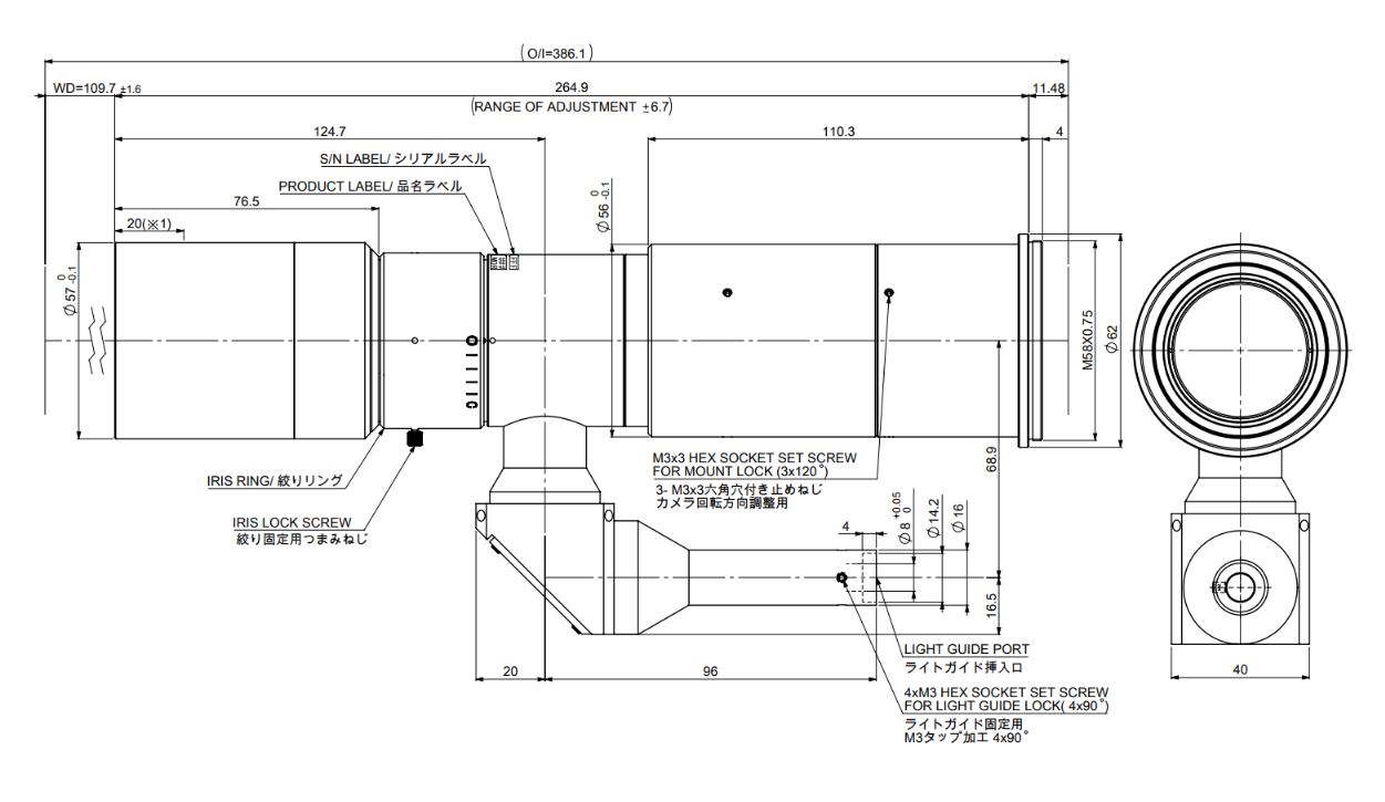
MML2-HR110DVI-43M58-B
Main Applications
FPD : Glass alignment
Semicon : Wafer alignment, Bonding alignment
Electronics : Parts inspection
Model Description
Specifications
  • Model
  • MML2-HR110DVI-43M58-B
  • Magnification (x)
  • 2
  • O/I [mm]
  • 386.1
  • WD (mm)
  • 109.7
  • Resolution (μm)
  • 2.7~7.4
  • Depth of Field (mm)
  • 0.16~0.44
  • NA
  • 0.125~0.045
  • Effective Fno
  • 8~22
  • Max. IF [mm]
  • 43.5
  • Distortion [%]
  • ≤-0.028
*1 Resolution values indicate the theoretical resolution at a wavelength of 550nm;
*2 Depth of field is calculated assuming a horizontal 240TV resolution using a 1/2 CCD camera. (Permissible circle of confusion on the image-formation side: 40μm).


External View
Contact Information

MORITEX North America, Inc.

Add:20380 Town Center Lane, Suite 215 Cupertino, CA 95014 USA.

E-mail:sales.china@cognex.com

Tel:+1-408-363-2100

Product
Lens LED Illumination Fiber & Light guide Cosmetics
Application
Semiconductor mini/Micro LED Li-Battery FPD LiDAR
News & Events
Upcoming events News New Products Notice Discontinuation Notice
Resource
Download Center ISO Certificate
About us
Introduction President Speech Business Description History Global team Company policies Technology & Business Compliance
Contact us
Global team Local service
Career
Value Career

Site Policy | Privacy-Policy | Help | @ 2023 MORITEX Corporation