EN
CN JP
Telecentric Lens Bi-Telecentric Lens/Illumination Macro/CCTV Lens Line Scan/Large Format Lens

Telecentric Lens

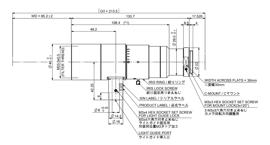
MML2-SR65DVI-18C-SWIR

▪ Dedicated infrared design (900~1700 nm)
▪ Designed for special application,match with IR camera and IR illumination.
MML2-SR65DVI-18C-SWIR
Main Applications
FPD : Glass alignment
Semicon : Wafer alignment, Bonding alignment
Electronics : Parts inspection


Model Description


Specifications
  • Spec
  • MML2-SR65DVI-18C-SWIR
  • Magnification (x)
  • 2
  • O/I(mm)
  • 213.5
  • WD (mm)
  • 65.2
  • Resolution (μm)
  • 6.4~17.5
  • Depth of Field (mm)
  • 0.16~0.44
  • NA
  • 0.124~0.045
  • Effective Fno
  • 8~22
  • Distortion (%)
  • ≤0.045
  • IF (mm)
  • 18.5
* Resolution values indicate the theoretical resolution at a wavelength of 1300nm.
* Depth of field is calculated assuming a horizontal 240TV resolution using a 1/2 CCD camera. (Permissible circle of confusion on the image-formation side: 40μm).


External View
Contact Information

MORITEX North America, Inc.

Add:20380 Town Center Lane, Suite 215 Cupertino, CA 95014 USA.

E-mail:sales.china@cognex.com

Tel:+1-408-363-2100

Product
Lens LED Illumination Fiber & Light guide Cosmetics
Application
Semiconductor mini/Micro LED Li-Battery FPD LiDAR
News & Events
Upcoming events News New Products Notice Discontinuation Notice
Resource
Download Center ISO Certificate
About us
Introduction President Speech Business Description History Global team Company policies Technology & Business Compliance
Contact us
Global team Local service
Career
Value Career

Site Policy | Privacy-Policy | Help | @ 2023 MORITEX Corporation