EN
CN JP
Telecentric Lens Bi-Telecentric Lens/Illumination Macro/CCTV Lens Line Scan/Large Format Lens

Telecentric Lens

MML05-ZR150DVI-20C

▪ The most appropriate optical design for camera pixel size for 2.74µm High resolution
▪ Image format 20mm (1.2" sensor)
▪ Adjustable the best depth of field corresponding variable iris
▪ Visible to Near infrared compatible
MML05-ZR150DVI-20C
Main Applications
Electronics : Component and PCB Inspection
Semi : Wafer inspection


Model Description


Specifications
  • Spec
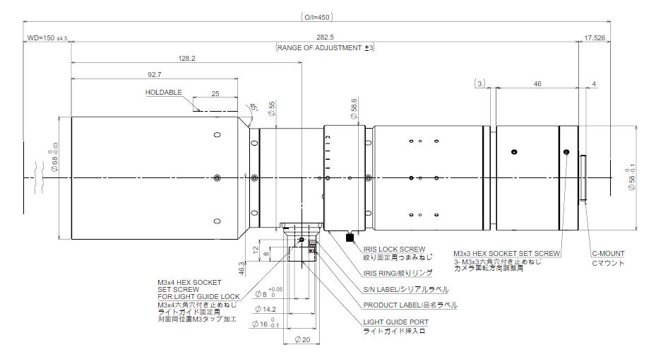
  • MML05-ZR150DVI-20C
  • Magnification (x)
  • 0.5
  • O/I(mm)
  • 450
  • WD (mm)
  • 150
  • Resolution (μm)
  • 7.0~21.5
  • Depth of Field (mm)
  • 1.66~5.12
  • NA
  • 0.048~0.016
  • Effective Fno
  • 5.2~16
  • Distortion (%)
  • ≤0.004
  • IF (mm)
  • 20
External View
Contact Information

MORITEX North America, Inc.

Add:20380 Town Center Lane, Suite 215 Cupertino, CA 95014 USA.

E-mail:sales.china@cognex.com

Tel:+1-408-363-2100

Product
Lens LED Illumination Fiber & Light guide Cosmetics
Application
Semiconductor mini/Micro LED Li-Battery FPD LiDAR
News & Events
Upcoming events News New Products Notice Discontinuation Notice
Resource
Download Center ISO Certificate
About us
Introduction President Speech Business Description History Global team Company policies Technology & Business Compliance
Contact us
Global team Local service
Career
Value Career

Site Policy | Privacy-Policy | Help | @ 2023 MORITEX Corporation