EN
CN JP
Telecentric Lens Bi-Telecentric Lens/Illumination Macro/CCTV Lens Line Scan/Large Format Lens

Bi-Telecentric Lens/Illumination

MTI-120-CG-070

▪ High performance parallel light back light
▪ 120mm effective emission diameter
▪ Available in two colors: green and white
▪ Maximum rated current is 700mA and electrical power consumption is 3W. Recommended controller is MLEP-B070W Series
▪ Blue color and red color is production on demand basis
▪ Constant voltage operation type is available on your request
▪ 1 Lens tube length includes LED illumination unit, and adjustable length allowance is 2.5mm maximum depends on LED Inspection data provided for every lens

MTI-120-CG-070
Main Applications
Components for electronics
Smartphone components inspections, smartphone assembly inspections, final visual inspections
Measurement and inspection of high precision components
Automotive parts: cam shafts, engines, catalytic converters, etc.
Model Description
Specifications
  • Spec
  • MTI-120-CG-070
  • Color
  • Green
  • Lighting Area (φmm)
  • 120
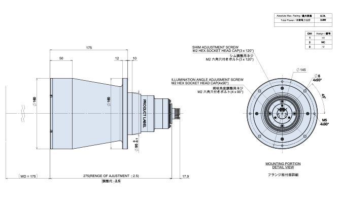
  • WD (mm)
  • 175
  • Color temperature (K) Min. - Max.
  • -
  • Dominant wavelength (nm) Min. - Max.
  • 520~550
  • Beam angle (deg.)
  • 0~0.24
  • Length (mm) *1
  • 292.9
  • Front Outer dia. (φmm)
  • 160
  • Weight (kg)
  • 3.6
  • Max rated current (mA)
  • 700
  • Power consumption (W)
  • 3
External View
Light Distribution Characteristics
・Maximum rated current is 700mA and electrical power consumption is 3W.
・Recommended controller is MLEP-BO70W Series.
・Blue color and red color is production on demand basis.
・Constant voltage operation type is available on your request.
*1 Lens tube length includes LED illumination unit, and adjustable length allowance is 12.5mm maximum depends on LED.
Inspection data provided for every lens.
Contact Information

MORITEX North America, Inc.

Add:20380 Town Center Lane, Suite 215 Cupertino, CA 95014 USA.

E-mail:sales.china@cognex.com

Tel:+1-408-363-2100

Product
Lens LED Illumination Fiber & Light guide Cosmetics
Application
Semiconductor mini/Micro LED Li-Battery FPD LiDAR
News & Events
Upcoming events News New Products Notice Discontinuation Notice
Resource
Download Center ISO Certificate
About us
Introduction President Speech Business Description History Global team Company policies Technology & Business Compliance
Contact us
Global team Local service
Career
Value Career

Site Policy | Privacy-Policy | Help | @ 2023 MORITEX Corporation