
| Spec | MTL-18057V74-032 | |||
|---|---|---|---|---|
| Max IF (mm) | 57.3 | |||
| FOV type (Φmm) | 180 | |||
| Mag. (x) | 0.319 | |||
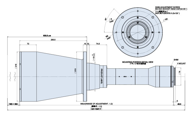
| WD (mm) | 350 | |||
| Field of View | 4/3" | H | 14.1 | 57 |
| V | 10.3 | 43 | ||
| D | 18.1 | 71 | ||
| 35mm | H | 18.1 | 72 | |
| V | 13.6 | 72 | ||
| D | 22.6 | 102 | ||
| 43.5mm | H | 23 | 113 | |
| V | 23 | 76 | ||
| D | 32.6 | 136 | ||
| 57.3mm | H | 36.2 | 153 | |
| V | 24.1 | 91 | ||
| D | 43.5 | 178 | ||
| Optical specifications | Effective F# | 15.0 | ||
| Distortion | (%) | 0.03 | ||
| Telecentricity | (deg.) | 0.05 | ||
|
Resolution @520nm |
(μm) | 29.9 | ||
|
DOF @40um |
(mm) | 11.8 | ||
| Mechanical specifications | Front Outer dia. | (Φmm) | 210 | |
| Barrel Length | (mm) | 649.4 | ||
| Weight | (kg) | 8.21 | ||
| Mount | V74 | |||
MORITEX North America, Inc.
Add:20380 Town Center Lane, Suite 215 Cupertino, CA 95014 USA.
Tel:+1-408-363-2100
Site Policy | Privacy-Policy | Help | @ 2023 MORITEX Corporation