
| Spec | MTL-5582M95-149 | |||
|---|---|---|---|---|
| Max IF (mm) | 82 | |||
| FOV type (Φmm) | 55 | |||
| Mag. (x) | 1.505 | |||
| WD (mm) | 135 | |||
| Field of View | 35mm | H | 23 | 15 |
| V | 23 | 15 | ||
| D | 32.6 | 22 | ||
| 43.5mm | H | 36.2 | 24 | |
| V | 24.1 | 16 | ||
| D | 43.5 | 29 | ||
| 57.3mm | H | 48.7 | 32 | |
| V | 29 | 19 | ||
| D | 56.7 | 38 | ||
| 82mm | H | - | - | |
| V | - | - | ||
| D | 82 | 55 | ||
| Optical specifications | Effective F# | 18.0 | ||
| Distortion | (%) | -0.04 | ||
| Telecentricity | (deg.) | 0.04 | ||
|
Resolution @520nm |
(μm) | 7.6 | ||
|
DOF @40um |
(mm) | 0.6 | ||
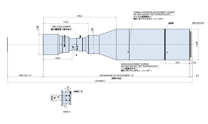
| Mechanical specifications | Front Outer dia. | (Φmm) | 78 | |
| Barrel Length | (mm) | 554.8 | ||
| Weight | (kg) | 2.16 | ||
| Mount | M95 | |||
MORITEX North America, Inc.
Add:20380 Town Center Lane, Suite 215 Cupertino, CA 95014 USA.
Tel:+1-408-363-2100
Site Policy | Privacy-Policy | Help | @ 2023 MORITEX Corporation