EN
CN JP
Telecentric Lens Bi-Telecentric Lens/Illumination Macro/CCTV Lens Line Scan/Large Format Lens

Telecentric Lens

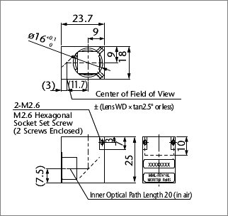
MML-PSV16L

▪ Mount adapters
▪ 90 degree side view mirror prisms
▪ 90 degree side view penta-prisms
▪ Variable optical axis pitch converters
▪ Variable pitch side view prisms
▪ Dual Field of View prisms
▪ High performance rear converters / doublers
▪ L-Shaped 90 degree coaxial adapter
▪ LED mounting adapters
▪ Customized solutions such as integrated dual FOV & lighting systems and top & bottom image plane systems
MML-PSV16L
Download DataDrawing Data
Specifications
  • Spec
  • MML-PSV16R
  • Overview
  • Optical Axis Pitch Conversion Side View Prism - Left(Single Side 3-mm Pitch Type)
  • Conversion Method
  • Optical Axis Pitch Conversion - Side View
  • Lens Barrel Size
  • 16
  • Internal Optical Path Length
  • 20
  • Notes
  • -
External View
Contact Information

MORITEX North America, Inc.

Add:20380 Town Center Lane, Suite 215 Cupertino, CA 95014 USA.

E-mail:sales.china@cognex.com

Tel:+1-408-363-2100

Product
Lens LED Illumination Fiber & Light guide Cosmetics
Application
Semiconductor mini/Micro LED Li-Battery FPD LiDAR
News & Events
Upcoming events News New Products Notice Discontinuation Notice
Resource
Download Center ISO Certificate
About us
Introduction President Speech Business Description History Global team Company policies Technology & Business Compliance
Contact us
Global team Local service
Career
Value Career

Site Policy | Privacy-Policy | Help | @ 2023 MORITEX Corporation