EN
CN JP
Telecentric Lens Bi-Telecentric Lens/Illumination Macro/CCTV Lens Line Scan/Large Format Lens

Macro/CCTV Lens

ML-U0618SR-18C

▪ Compact Design
▪ Vis/NIR AR Coating
▪ High resolving power 150lp/mm,12MP,High resolution 3.5μm/pixel
▪ Large Format 1.1" compatible
▪ Floating mechanism for consistent performance





ML-U0618SR-18C
Main Applications
Electronics: Component and PCB Inspection
Factory Automation: Food, Glass, Bottle, Pharma, etc.
Automotive: Mechanical Parts Inspection
Model Description
Specifications
  • Spec
  • ML-U0618SR-18C
  • Focal Length (mm)
  • 6
  • Fno
  • 1.8-16
  • Image format (mm)
  • 17.6 (1.1 " sensor)
  • Resolving power (lp/mm)
  • Center:150 Margin:100
  • Minimum WD(mm)
  • 100
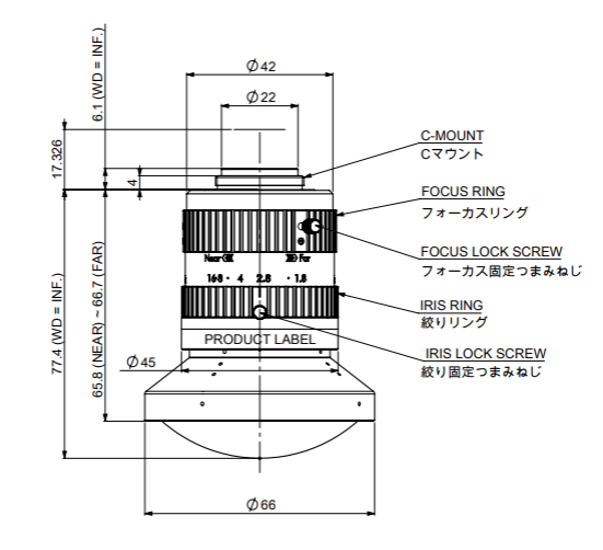
External View
Contact Information

MORITEX North America, Inc.

Add:20380 Town Center Lane, Suite 215 Cupertino, CA 95014 USA.

E-mail:sales.china@cognex.com

Tel:+1-408-363-2100

Product
Lens LED Illumination Fiber & Light guide Cosmetics
Application
Semiconductor mini/Micro LED Li-Battery FPD LiDAR
News & Events
Upcoming events News New Products Notice Discontinuation Notice
Resource
Download Center ISO Certificate
About us
Introduction President Speech Business Description History Global team Company policies Technology & Business Compliance
Contact us
Global team Local service
Career
Value Career

Site Policy | Privacy-Policy | Help | @ 2023 MORITEX Corporation