发表时间:2023-08-25 来源:茉丽特
最近一段时间,晶圆检测乃至mini/micro LED晶圆检测应用越来越多,而搭配大面阵相机的高精度检测,对镜头提出了倍率更高、像面更大、分辨率更高等要求;同时,在使用不同颜色的光源来检测不同瑕疵特征时,出于对效率的考虑,大部分情形不希望在z轴进行切换焦面,从而对镜头的轴向色差也有着严苛的要求。
茉丽特最新推出的5X高分辨率远心镜头,在传统高倍远心镜头的基础上,提升了分辨率用以匹配诸如65MP等高像素相机;并做复消色差而将轴向色差控制在景深范围内,实现切换光源而无需对焦。同时,镜头的小尺寸设计可以更好地控制设备的紧凑性。
01--更高的分辨率。MML5-HR80DVI-43M58,光圈开到最大达到F14.7, 比起常规F19,分辨率从2.6μm提高至2μm。
同时,周边和中心视场的成像一致性,一如其他远心稳定。
※光圈全开,另外红光由于波长更长,其极限分辨率相对更低。
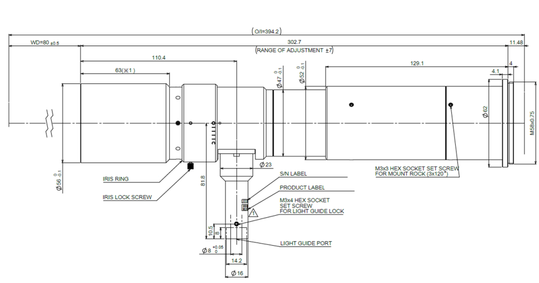
03--更紧凑的尺寸。比起动辄550mm~650mm的物像距离,MML5-HR80DVI-43M58将物像距控制在了395mm内,甚至远小于同级的镜头本体长度,在性能维持甚至更高的情况下,却更有效的帮助控制了设备的紧凑性。
搭配6500万,2500万或4500万等高分辨率相机时,通常用于晶圆段的脏污、颗粒、划痕、图案缺陷和电极偏移等等瑕疵检测。

晶圆实测图片▲
MORITEX North America, Inc.
Add:20380 Town Center Lane, Suite 215 Cupertino, CA 95014 USA.
Tel:+1-408-363-2100
Site Policy | Privacy-Policy | Help | @ 2023 MORITEX Corporation